單孔噴頭主要包括噴嘴(或噴嘴總成)與噴頭體,其目的是縮小噴嘴尺寸,選用高硬度、高強度的耐磨材料,既可提高壽命,又便于加工,同時還能產生不同的射流形式。 噴嘴做成凸緣,便于壓緊連接;采用紫銅密封墊圈,依靠其塑性變形密封,這種墊圈拆卸后往往不可復用;噴頭體形狀較特別,其延伸段做成三爪刃形,作業中有明顯的切削和疏通作用,還能很好地保護噴嘴,同時保證了垢層與噴嘴間固定的靶距。單孔噴頭普遍應用在超高壓,由千超高壓噴嘴尺寸往往受特殊材料加工成形工藝等限制,隨之就給噴嘴與噴頭體連接的超高壓靜密封帶來一些困難。
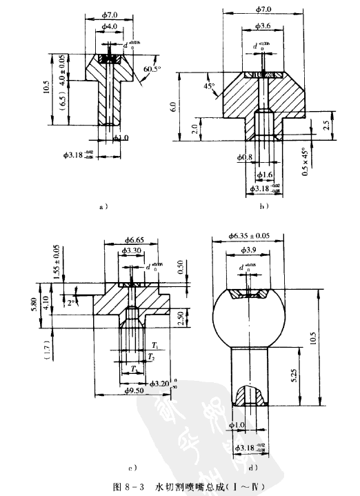
如圖所示為 4 種不同型式的超高壓噴嘴總成,不難看出它們共 同的特點是噴嘴均位于噴嘴體上表面,且噴嘴均以尼龍或PTFE等材 料作密封圈。 圖a、圖b之噴嘴體上表面采用錐面密封;圖c為微錐面 密封;圖d則為球面密封,它的另一特色是可以球體旋轉較容易地使水噴嘴與磨料噴嘴對中調心。 另外,圖a 圖c的噴嘴為擴散形,在如此小尺寸下加工這一擴散形是不容易的。 所有噴嘴的共同特點是直徑極小,為0.08,__,l. 0mm,公差均為0. 006mm。 通過這些圖我們可以看到超高壓水切割噴嘴總成的工藝難度很大,同時它對與其關聯的零件要求也很高。

上述噴嘴總成中的噴嘴均以紅寶石或藍寶石制造,噴嘴體則多為 優質不銹鋼。更多的固定噴頭還是采用多噴嘴結構,因為多束射流適應較大直徑管道清洗。 當然,多束射流也需要較大功率的機組為其提供流量。
高壓水射流多孔噴頭型式很多,其原則就是將噴嘴與噴頭體分開, 易拆易換。 噴嘴與噴頭體的連接主要采用外六角螺母式或內六角螺母 式,噴嘴與噴嘴套根據不同參數和結構設計可分可合。 圖8-4所示為 一列式噴頭,為了各束射流的不間斷,扇形噴角的安裝角度 (150 ) 十分 講究這個問題在其他噴頭上也時有出現。 為保證噴嘴的安裝到位,加 工中對噴嘴連接端面要求很高,應保證噴嘴軸心線與其連接端面的垂直。 這樣,既便千鉆孔攻絲,又能保證高壓水的密封。 一般在噴嘴與連 接端面設有紫銅墊圈密封。 噴嘴的安裝方向決定了射流的方向,如軸向、徑向、斜向向前及斜向向后。 斜向向后噴的反向射流可使噴頭自進。 這是多孔噴頭長見特點,在清洗的同時,它為軟管自進提供了動力。