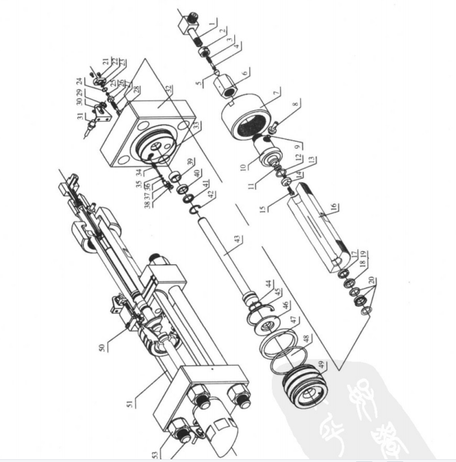
1、增壓器
增壓器是水刀增壓較為完整的一個配件,通過油泵的增壓在增壓器內形成高壓,再由止回閥單向形成高壓水。增壓器是水刀配件中非常重要的一個部位,影響了整個水刀的質量以及效率,是水刀的核心。

2、高壓缸
高壓缸是增壓器重要的一個部位,物理壓縮形成超高水壓,同時高壓缸也最先承受壓力,如果長期工作金屬疲勞也是容易導致高壓缸的損壞。建議使用進口高壓缸,國外鍛造標準使得高壓缸可以承受更高的壓力,不容易爆缸。
3、高壓桿
陶瓷質的高壓桿對比金屬材質具有更高的硬度且不容易變型,使得工作更加穩定。陶瓷桿一般國產和進口之分,進口陶瓷桿更加堅硬光滑,更加平穩耐用。
4、活塞
活塞兩端固定的是活塞桿,通過兩邊的高壓將活塞桿將水擠壓形成高壓。活塞處于壓力的最中央,因此需要高硬度和厚度才能避免擠壓變形。
5、單向閥
單向閥也是止回閥,使高壓水無法逆流,一頭連接高壓缸以及高壓管,自然水進入高壓缸形成高壓水后通過止回閥進入高壓管且無法回流。止回閥建議用進口件,進口止回閥具有高質量的特點,可以保證超長使用壽命。

6、高壓密封組
高壓密封組填補了高壓配件之間的間隙,讓連接之間阻絕形成高壓,同時高壓組件也承受著很高的壓力,運動中容易損壞,使得效率大大降低,通常一段時間就需要更換,優質的高壓密封組才能長期穩定工作。